加入对比
加入对比
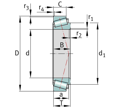
圆锥滚子轴承320,基本尺寸按照DIN ISO 355 / DIN 720,可分离、调节或成对;旧型号:32060-X
全场适用
全场适用
| 品牌 | 型号 | 仓位 | 产地 | 包装 | 库存 | 售价 | 购买数量 | 操作 |
|---|---|---|---|---|---|---|---|---|
| FAG | 32060-X-XLE | 华东8G仓 | 选择商包 | 2 套 | ¥ 登录可见 |
|
||
| FAG | 32060-X-XLE | 华东C1仓 | 选择商包 | 2 套 | ¥ 登录可见 |
|
||
| FAG | 32060-X-XL-DF-A550-600 | 华中41I仓 | 满200发货 | 选择商包 | 1 套 | ¥ 登录可见 |
|
没有相关规格
| d | 300mm | 内径 |
| D | 460mm | 外径 |
| B | 100mm | 内圈宽度 |
| C | 74mm | 外圈宽度 |
| T | 100mm | Width, total |
| C<sub>r</sub> | 1780000N | 基本额定动载荷, 径向 |
| C<sub>0r</sub> | 2850000N | 基本额定静载荷,径向 |
| C<sub>ur</sub> | 335000N | 疲劳极限载荷, 径向 |
| n<sub>G</sub> | 16701/min | 极限转速 |
| n<sub>ϑr</sub> | 7501/min | 额定热速 |
| ≈m | 58kg | 重量 |
| d<sub>a max</sub> | 329mm | 轴挡肩最大直径 |
| d<sub>b min</sub> | 318mm | 轴挡肩最大直径 |
| D<sub>a min</sub> | 404mm | 轴承座挡肩最小直径 |
| D<sub>a max</sub> | 442mm | 轴承座挡肩最大直径 |
| D<sub>b min</sub> | 439mm | 轴承座挡肩最小直径 |
| C<sub>a min</sub> | 15mm | 最小轴向间距 |
| C<sub>b min</sub> | 26mm | Minimum axial space |
| r<sub>a max</sub> | 5mm | 轴最大圆角半径 |
| r<sub>b max</sub> | 4mm | 轴承座最大圆角半径 |
| r<sub>1, 2 min</sub> | 5mm | 内圈背面倒角尺寸 |
| r<sub>3, 4 min</sub> | 4mm | 外圈背面倒角尺寸 |
| a | 98mm | 压力锥顶距 |
| d<sub>1</sub> | 376mm | 内圈引导挡边直径 |
| T<sub>min</sub> | -30°C | 最低工作温度 |
| T<sub>max</sub> | 200°C | 最高工作温度 |
| e | 0.43 | Fa/Fr 对应不同X和Y系数 |
| Y | 1.38 | Dynamic axial load factor |
| Y<sub>0</sub> | 0.76 | 轴向静载荷系数 |
| T4GD300 | 按照ISO 10317和ISO 355的比较型号 |



