全部分类
加入对比
加入对比
收藏

推荐 恩斯凯 NSK 608VV 微型深沟球轴承

非接触密封型 VV,超小型球轴承和微型球轴承,公制系列。

售价
登录可见 / 套
4销量
优惠券
满5000减50
满1000减10
  • 50 满5000减50

    全场适用

  • 10 满1000减10

    全场适用

NSK

NSK

恩斯克 日本精工株式会社(NSK LTD.简称NSK)成立于1916年,是日本国内第一家设计生产轴承的厂商。 几十年来,NSK开发出无数新型轴承,满足世界各地用户的需求,并为 产业发展 和 技术进步 做出了极大的贡献。 同时NSK凭借其在 精密加工 方面的 技术优势,不断开发 汽车零部件 、精密机械组件等高、精、尖产品,在电子应用等领域积极开展 多元化经营

配送至
运输方式
可选规格
  • 预计到达
    评分
    出库时间
    产地及备注
    售价
    库存
    购买数量
  • 华南T2仓
    4.8
    周一~周日17:30截单
    暂无
    ¥登录可见 /套
    199
    - +
已选 0 0
金额: ¥0.00
全部9个规格
品牌 型号 仓位 产地 包装 库存 售价 购买数量 操作
NSK 608VV1MC4EJNS7L5 华东F6仓 需加购报价 印尼 选择工包 138 登录可见
NSK 608VV1MC3ERJNS7L5 华东1P3仓 印尼 选择工包 3 登录可见
NSK 608VV1MC3ERJNS7L5 华东T1仓 U仓 安包装起定 选择工包 9 登录可见
NSK 608VV1MC3ER 华东R2仓 选择商包 6 登录可见
NSK 608VV3MC5EJ2D8SS5 华东Q6仓 印度尼西亚 选择工包 647 登录可见
NSK 608VV1MC2EHENSLM 华东Q6仓 昆山 选择商包 47 登录可见
NSK 608VV1MC2EHPS2LQ 华东Q6仓 昆山 选择商包 1414 登录可见
NSK 608VVCM 华东Y8仓 印尼 选择工包 1 登录可见
NSK 608VVMC3E 华南S3仓 日产 选择工包 6 登录可见

没有相关规格

  • VV:两面带非接触式橡胶密封圈
  • 数据仅供参考
  • Designations
  • Boundary Dimensions
  • d 8 mm Bore diameter
  • D 22 mm Outside diameter
  • B 7 mm Width
  • r1 (min.) 0.3 mm Chamfer dimension
  • Basic Load Ratings
  • C r 3650 N Basic dynamic load rating
  • C 0r 1370 N Basic static load rating
  • Speeds
  • Grease 34000 min -1 Grease lubrication
  • Abutment and Fillet Dimensions
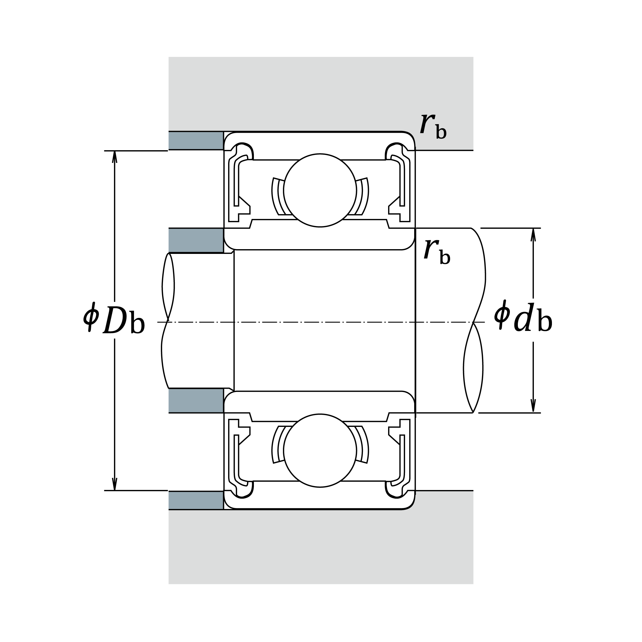
  • db (max.) 10.5 mm Diameter of shaft abutment
  • Db (max.) 19 mm Diameter of housing abutment
  • rb (max.) 0.3 mm Radius of shaft or housing fillet
  • Additional information
  • z 7 Number of Balls
  • Dw 3.969 mm Ball Diameter
  • Mass
  • (approx.) 0.0122 kg
  • 608VV
    温馨提示 ×
    商品已成功加入购物车!
    购物车共 0 件商品
    去购物车结算