全部分类
加入对比
加入对比
收藏

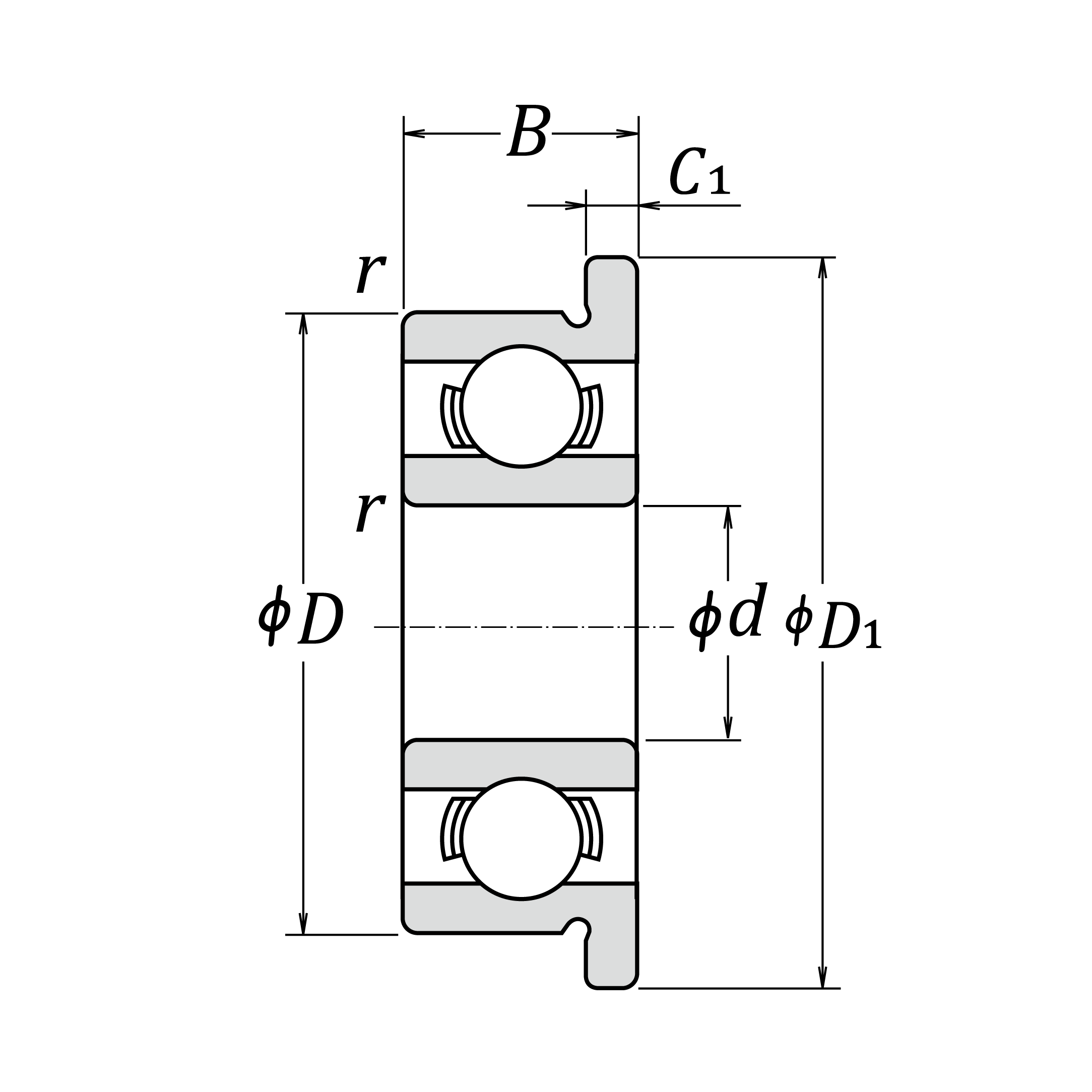
推荐 恩斯凯 NSK F608MC3 带法兰超小型及微型球轴承

开放式,超小型球轴承和微型球轴承,带法兰的公制系列。

售价
登录可见 / 套
8销量
优惠券
满5000减50
满1000减10
  • 50 满5000减50

    全场适用

  • 10 满1000减10

    全场适用

NSK

NSK

恩斯克 日本精工株式会社(NSK LTD.简称NSK)成立于1916年,是日本国内第一家设计生产轴承的厂商。 几十年来,NSK开发出无数新型轴承,满足世界各地用户的需求,并为 产业发展 和 技术进步 做出了极大的贡献。 同时NSK凭借其在 精密加工 方面的 技术优势,不断开发 汽车零部件 、精密机械组件等高、精、尖产品,在电子应用等领域积极开展 多元化经营

配送至
运输方式
可选规格
  • 预计到达
    评分
    出库时间
    产地及备注
    售价
    库存
    购买数量
  • 华东7Q仓
    5.0
    周一~周五15:30截单
    日本
    ¥登录可见 /套
    1
    - +
  • 预计到达
    评分
    出库时间
    产地及备注
    售价
    库存
    购买数量
  • 华南F3仓
    5.0
    周一~周五16:00截单
    暂无
    ¥登录可见 /套
    72
    - +
已选 0 0
金额: ¥0.00
  • MC3:微型球轴承后面表示标准游隙,大尺寸轴承后缀则表示铜保C3游隙
  • F:型号前缀,带法兰深沟球轴承,如F686VV;后缀表示钢质车制保持架,如230/570F。
  • F608MC3
    温馨提示 ×
    商品已成功加入购物车!
    购物车共 0 件商品
    去购物车结算